65-я Всероссийская научная конференция МФТИ

65-я Всероссийская научная конференция МФТИ

Список разделов ФЭФМ - Секция микроэлектроники

На секции рассматриваются самые современные процессы и направления полупроводниковой индустрии, организация и проведение теоретических и экспериментальных исследований полупроводниковых микро- и наноструктур, а также моделирование, разработка и применение микро- и наноэлектронных схем и технологических процессов их создания.


Формат проведения: очно

Дата и место проведения: 04 - 05 апреля 2023г. в 10:00 часов, АО "НИИМЭ", Зеленоград, ул. Академика Валиева, 6с1, зал НТС, необходимо заказать пропуск через секретаря секции

  • Численное моделирование переноса носителей заряда в МОНОП-структурах

    При помощи средств приборно-технологического моделирования показано влияние амплитуды и длительности программирующего импульса напряжения на количество локализованного на ловушках в Si3N4 электрического заряда и соответствующее изменение величины напряжения плоских зон ячейки энергонезависимой памяти МОНОП (Металл/Оксид/Нитрид/Оксид/Полупроводник). Приведена методика калибровки численных моделей, описывающих процессы, которые протекают в МОНОП-струткуре при установлении логического состояния.

  • Оценка влияния параметров схемы, питания и наводок на уровень шума и смещение нуля генератора сигналов сверхмалого напряжения

    Проведена экспериментальная оценка работы новой схемы генератора сигналов сверхмалого напряжения (5-50 мкВ). Варьировались параметры схемы, определяющие амплитуду синтезируемых сигналов и выходное сопротивление; оценивалась схема фильтрации шума; проведены эксперименты в окружающей среде с наводкой 50 Гц и без неё. Полученные результаты позволяют выявить направления для дальнейшего улучшения схемы.

  • Применение алгоритмов машинного обучения для детектирования SRAF-структур на РЭМ-изображениях

    Данная работа посвящена практическому применению свёрточных нейронных сетей для решения задачи бинарной классификации изображений. Набор данных содержал 400 РЭМ-изображений формата TIFF c размером 1024x1024. В рамках работы была выбрана архитектура AlexNet. В качестве алгоритма оптимизации был выбран стохастический градиентный спуск и кросс-энтропия как функция  потерь. Точность классификации на тестовой выборке составила 0.95. 



  • Исследование набега фазы в волноводных структурах с халькогенидными стёклами

    В работе представлены результаты численного моделирования волноводного интерферометра Маха-Цендера с управляющими элементами на основе плёнок GST-225, произведён численный анализ изменения фазы волноводной моды в зависимости от фазового состояния плёнки GST и геометрических параметров структуры.

  • Архитектура нейровычислительных блоков

    Работа посвящена анализу архитектуры нейровычислительных блоков существующих нейросопроцессоров, нейроускорителей и нейроядер. Выполненный сравнительный анализ позволил определить основные функциональные блоки нейровычислителей, на основе чего авторами была предложена спецификация нейроядра.

  • Исследование интегрированных оптических антенных систем лидаров, выпускаемых в технологии КНИ

    В данной работе приведён обзор основных видов антенных решёток. Описаны основные физические принципы работы антенных решёток. Также в работе показан новый тип решётке на основе высококонтрастной структуры с высокой эффективностью излучения на определённых длинах волн.

  • Легирование атомами галлия эпитаксиальных слоев Ge:Ga/Si(001) при выращивании их методом HW CVD

    Проведено исследование по выращиванию методом газофазного осаждения с разложением моногермана на "горячей нити" (Hot Wire CVD) in situ легированых атомами галлия (Ga) гетероэпитаксиальных слоев Ge. Испарение галлия проводилось из сублимирующего резистивного источника Ge:Ga, вырезанного из монокристаллического слитка германия, легированного данной примесью.

  • Метаматериал с повышенным эффективным значением диэлектрической проницаемости

    Представлена модель метаматериала для проектирования электрически малой антенны.

  • Формирование омического контакта к гетероструктуре AlGaN/GaN для силовых HEMT

    Исследование омического контакта к гетероструктуре AlGaN/GaN для силовых HEMT. В работе представлен анализ экспериментальных данных для ситемы металлизации Ta/Al/Ta. На осное полученных результатов сделано предположение о механизме образования омического контакта.

  • К вопросу о тонкоплёночном оксиде TiOx на границе раздела TiN/HfxZr1-xO2 сегнетоэлектрического конденсатора

    В работе рассматривается влияние тонкоплёночного, нестехиометрического окисла TiOx на границу раздела TiN/HfxZr1-xOсегнетоэлектрического конденсатора. Проводится квантово-химическое моделирование из первых принцпипов орторомбического f-HfxZr1-xOи тетрагонального t-TiO2.

  • Разработка дифференциального МШУ Х-диапазона частот на основе Si КМОП технологии

    В работе проводится исследование конструктивных решений трнасформаторов и балунов для реализации данных элементов и дифференциального МШУ на их основе на базе отечественной Si-КМОП технологии с минимальными проектными нормами «90нм».

  • Определение и контроль примесного состава технологических суспензий микроэлектроники методом ИСП-МС

    Метод масс-спектрометрии с индуктивно-связанной плазмой (ИСП-МС) широко применяется для анализа примесного состава материалов в самых разнообразных отраслях науки и техники. Высокая чувствительность метода обуславливает его использование и в микроэлектронике, которая предъявляет крайне высокие требования к чистоте материалов. В рамках настоящей работы была поставлена цель создания методики определения и контроля примесного состава технологических суспензий микроэлектроники методом ИСП-МС.

  • «Исследование и автоматизация процесса классификации по причинам отказа электронной компонентной базы методами машинного обучения»

    Работа посвящена автоматизации процесса классификации тестовых структур с электронными компонентами по причинам отказа посредством создания нейронной сети быстрого реагирования на отказы. В работе приведены результаты обработки данных электрофизического анализа, а также предложена архитектура нейронной сети для классификации по причинам отказа.

  • Особенности выбора компактной SPICE-модели транзисторной структуры по выбранной технологии и критерии её достоверности

    Новый темп развития накладывает новые требования на разработчика моделей со стороны проектировщиков ИС, технологов и производства. Требуется заново производить классификацию моделей, расширить и конкретизировать требования к компактным моделям.

    Также наличие единой меры оценки качества SPICE-модели помогло бы упростить взаимосвязь между разработчиками компактной модели и её пользователями.

  • Сравнительный анализ схемотехнических решений коммутатора системной шины микроконтроллера для смарт-карт на базе процессора RISC-V

    Сравнительный анализ схемотехнических решений двух вариантов коммутатора системной шины, разработанных на базе нативного интерфейса ядра RISC-V и открытого решения AXI шины

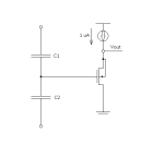
  • Изучение особенностей проектирования тестовых структур для учета эффекта локального рассогласования у конденсаторов

    В работе представлена схема для измерения локального рассогласования двух конденсаторов и особенности его измерения

  • Моделирование интегрально-оптического датчика давления на основе кольцевых резонаторов

    Данная работа посвящена исследованию в области моделирования интегрально оптического-датчика давления на основе кольцевых резонаторов с помощью программного пакета COMSOL Multiphysics. В работе представлены результаты моделирования влияния геометрических размеров на спектральную характеристику выходного сигнала, а также результаты влияния материала $$Si_3N_4$$ (нитрид кремния) сердцевины волновода на его свойства.


  • Решение обратной задачи моделирования оптического (де)мультиплексора для получения требуемых спектральных характеристик

    В данной работе предложен метод обратного расчета оптического демультиплексора. С помощью разработанной программы был проведен анализ зависимости спектральной характеристики его выходных каналов от амплитудно-фазового распределения поля на входе в устройство. В частности, были рассмотрены методы получения flat-top спектрального распределения и предложен обзор методов получения геометрии тэйпера из требований на выходной спектр. Также было проведено сравнение с расчетами в САПР RSoft.

  • Исследование зависимости оптимальной формы компактной модели фоторезиста от конфигурации топологического слоя

    Работа посвящена упрощению процесса подбора параметров оптимальной модели фоторезиста путём учёта особенностей конфигурации топологических слоёв. Было рассмотрено два топологических слоя – затворы и контакты для проектной нормы 28 нм.  В работе представлены результаты поиска оптимальных параметров модели фоторезиста для рассматриваемых слоев и определена их взаимосвязь с критическими  размерами структур.

  • Конструирование интегрального фотонного генератора истинно случайных чисел на КНИ платформе

    Данная работа посвящена теоретическому описанию схемы интегрального фотонного генератора истинно случайных чисел, работа которого основана на флуктуациях фазы лазерного излучения.

  • Разработка составной части цифрового двойника базовой технологии КМОП I/O-3,3В с проектными нормами 180 нм

    Работа посвящена разработке составной части цифрового двойника базовой технологии производства КМОП  I/O-3.3В с проектными нормами 180 нм, включающий приборно-технологическую модель n- и p- канальных транзисторов и HIPO резистора.

  • Методика подачи данных в импульсные нейроархитектуры

    Целью работы является выбор таких форматов регистрации данных и методов импульсного кодирования для подачи в нейроморфный процессор, при использовании которых будет возможно  исполнение импульсной нейронной сети на нейропроцессоре. Методика позволит подавать регистрируемые данные в нейрочип.

  • Метод тестирования проектов ПЛИС на основе тестового стенда

    Так как архитектуры ПЛИС варьируются в зависимости от типа, назначения и компании-производителя, один и тот же проект, на разных ПЛИС может показывать различные результаты, поэтому грамотное тестирование является важнейшим этапом верификации.

    Для решения данных проблем применяются тестовые стенды и определенные методы тестирования, цель которых направлена на контролируемое выявление неблагоприятных ошибок в устройствах в процессах верификации.

  • Расчёты диэлектрической проницаемости и оценка механических свойств оксида кремния с бензольными мостиковыми и терминальными метильными группами

    Данная работа посвящена рассчетам зависимости диэлектрической проницаемости пористого оксида кремния от различных параметров таких как пористость, концентрация мостиковых групп и метильных групп.

  • Исследование нелинейных оптических процессов в кремниевых щелевых волноводных структурах

    Работа посвящена исследованию нелинейных электрооптических эффектов второго и третьего порядка в кремниевых волноводах, покрытых кремнийорганическим полимером. Проводится анализ модели щелевого волновода, с использованием вычислительных методов, таких как метод конечных элементов, метод конечных разностей во временной области, также используется аналитический метод сингулярных возмущений.